Air-termination Masts for HVI light Conductors on Flat Roofs

Includes connection plate for four HVI light Conductors and fixing kit for mounting the conductors on the air-termination mast.
Adjustable to roof inclination up to max. 10°.
Concrete bases (weight 17 kg) and support plates have to be ordered separately.

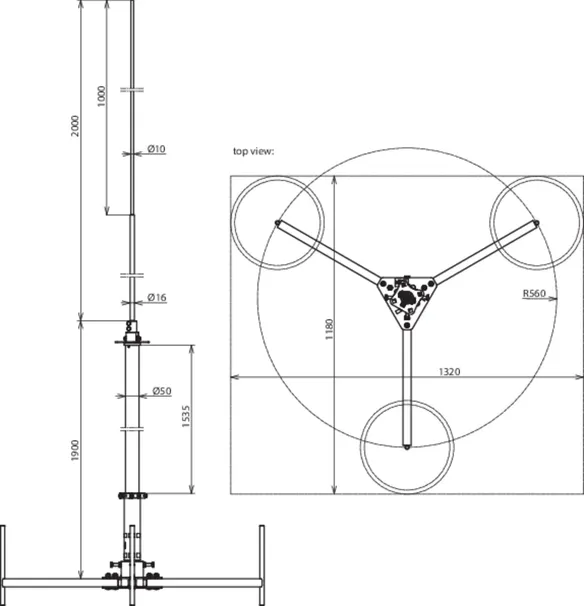
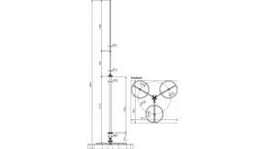
Air-termination mast 30 for HVI light Conductor SET I (total height 2300 mm)

1 Product

Part No. 819282 FM D30 L2300 DBS R320 GFK AL STTZN

GTIN 4013364252073, Customs tariff No. (EU): 85389099, Gross weight: 4.73 kg, PU: 1.00 pc(s)


Images

Additional information

Air-termination masts for HVI light Conductors on flat roofs
including a connecting plate for four HVI light Conductors and fixing kit for installing the conductor on the air-termination mast.
For keeping the separation distance from conductive parts according to IEC/EN 62305-3
Insulating clearance made of glass-fibre reinforced plastic (GRP)
Tube: Ø30 mm
Material factor km = 0.7
Light grey colour, UV-stabilised
The air-terminations masts are dimensioned according to Eurocode 1 (DIN EN 1991-1-4 + DIN EN 1991-1-4/NA)
Adjustable to roof inclinations up to max. 10 degrees
Air-termination mast 30 for HVI light Conductor SET I
Total height: 2300 mm
The stackable concrete base (Part No. 102 010) and the
base plate (Part No. 102 050) must be ordered separately.

Height: 2300 mm
Material of tripod: St/tZn
Radius of tripod: 320 mm
Material of supporting tube: GRP / Al
Length of supporting tube: 1300 mm
Insulating clearance: 1095 mm
Length of air-termination tip: 1000 mm
Material of air-termination tip: StSt
Max. gust wind speed for 3 bases, 17 kg each, 2x HVI light outside: 149 km/h
Standard: DIN IEC/TS 62561-8 (VDE V 0185-561-8)

Brand: DEHN
Type: FM D30 L2300 DBS R320 GFK AL STTZN
Part No.: 819282
or equivalent.

Certificates

 

Technical data

Material of tripod St/tZn
Radius of tripod 320 mm
Material of supporting tube GRP / Al
Length of supporting tube 1300 mm
Insulating clearance 1095 mm
Length of air-termination tip 1000 mm
Material of air-termination tip StSt
Max. gust wind speed for 3 bases, 17 kg each, 2x HVI light outside 149 km/h
Standard DIN IEC/TS 62561-8 (VDE V 0185-561-8)

Product 819282 was added to Notepad.

Product 819282 was added to the cart.


Air-termination mast 30 for HVI light Conductor SET II (total height 2800 mm)

1 Product

Part No. 819287 FM D30 L2800 DBS R320 GFK AL STTZN

GTIN 4013364252097, Customs tariff No. (EU): 85389099, Gross weight: 4.59 kg, PU: 1.00 pc(s)


Images

Additional information

Air-termination masts for HVI light Conductors on flat roofs
Complete with 4x connection plate for the
HVI light Conductor and fixing kit for installing
the conductor on the air-termination mast.
For keeping the separation distance to electrically
conductive parts according to DIN EN 62305-3 (VDE 0185-305-3)
Insulating clearance made of glass-fibre reinforced plastic (GRP)
Tube Ø30 mm
Material factor km = 0.7
Light grey colour, UV-stabilised
Air-termination masts dimensioned to
Eurocode 1 (DIN EN 1991-1-4 + DIN EN 1991-1-4/NA).
Adjustable to roof inclinations up to max. 10 degrees
Air-termination mast Ø30 for HVI light Conductor SET II
Total height 2800 mm
The stackable concrete base (part no. 102 010) and the
plastic base plate (part no. 102 050) have to be
ordered separately.
Height: 2800 mm
Material of tripod: St/tZn
Radius of tripod: 320 mm
Material of supporting tube: GRP / Al
Length of supporting tube: 1300 mm
Insulating clearance: 1095 mm
Length of air-termination tip: 1500 mm
Material of air-termination tip: Al
Max. gust wind speed for 3 bases, 17 kg each, 2x HVI light outside: 132 km/h
Standard: DIN IEC/TS 62561-8 (VDE V 0185-561-8)

Brand: DEHN
Type: FM D30 L2800 DBS R320 GFK AL STTZN
Part No.: 819287
or equivalent.

Certificates

 

Technical data

Material of tripod St/tZn
Radius of tripod 320 mm
Material of supporting tube GRP / Al
Length of supporting tube 1300 mm
Insulating clearance 1095 mm
Length of air-termination tip 1500 mm
Material of air-termination tip Al
Max. gust wind speed for 3 bases, 17 kg each, 2x HVI light outside 132 km/h
Standard DIN IEC/TS 62561-8 (VDE V 0185-561-8)

Product 819287 was added to Notepad.

Product 819287 was added to the cart.


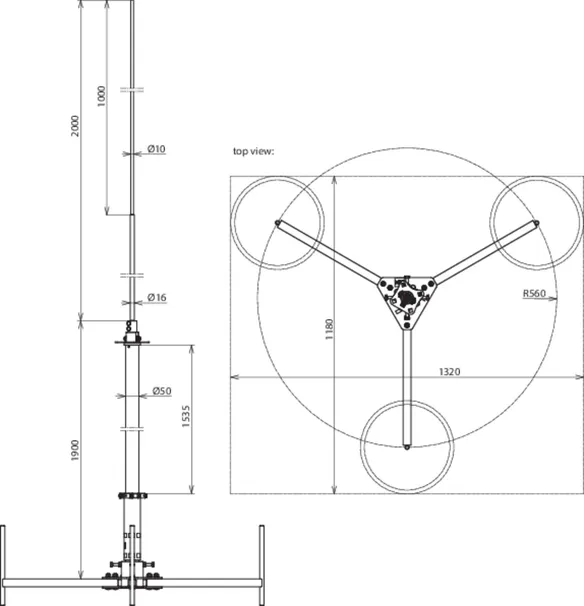
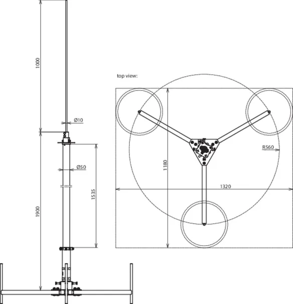
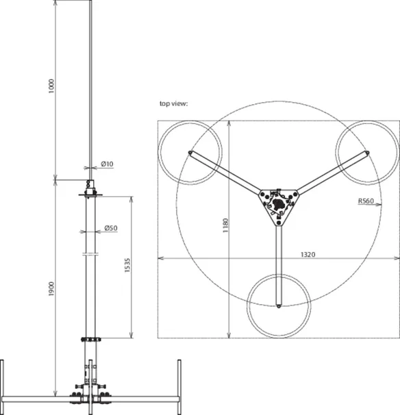
Air-termination mast 50 for HVI light Conductor SET I (total height 2900 mm)

1 Product

Part No. 819380 FM D50 10 2900 GFK AL DBS KB STTZN

GTIN 4013364241916, Customs tariff No. (EU): 85389099, Gross weight: 13.88 kg, PU: 1.00 pc(s)


Images

Additional information

Air-termination masts for HVI light Conductors on flat roofs
Complete with 4x connection plate for the
HVI light Conductor and fixing kit for installing
the conductor on the air-termination mast.
For keeping the separation distance to electrically
conductive parts according to DIN EN 62305-3 (VDE 0185-305-3)
Insulating clearance made of glass-fibre reinforced plastic (GRP)
Tube Ø50 mm
Material factor km = 0.7
Light grey colour, UV-stabilised
The air-termination masts are dimensioned to
Eurocode 1 (DIN EN 1991-1-4 + DIN EN 1991-1-4/NA) for a
max. gust wind speed of 203 km/h.
Adjustable to roof inclinations up to max. 10 degrees
Air-termination mast 50 for HVI light Conductor SET I
Total height 2900 mm
The stackable concrete base (part no. 102 010) and the
plastic base plate (part no. 102 050) have to be ordered separately.
Height: 2900 mm
Material of tripod: St/tZn
Radius of tripod: 560 mm
Material of supporting tube: GRP / Al
Length of supporting tube: 1900 mm
Insulating clearance: 1535 mm
Length of air-termination tip: 1000 mm
Material of air-termination tip: StSt
Max. gust wind speed for 3 bases, 17 kg each, 2x HVI light outside: 121 km/h
Max. gust wind speed for 6 bases, 17 kg each, 2x HVI light outside: 166 km/h
Max. gust wind speed for 9 bases, 17 kg each, 2x HVI light outside: 203 km/h
Standard: DIN IEC/TS 62561-8 (VDE V 0185-561-8)

Brand: DEHN
Type: FM D50 10 2900 GFK AL DBS KB STTZN
Part No.: 819380
or equivalent.

Certificates

 

Technical data

Material of tripod St/tZn
Radius of tripod 560 mm
Material of supporting tube GRP / Al
Length of supporting tube 1900 mm
Insulating clearance 1535 mm
Length of air-termination tip 1000 mm
Material of air-termination tip StSt
Max. gust wind speed for 3 bases, 17 kg each, 2x HVI light outside 121 km/h
Max. gust wind speed for 6 bases, 17 kg each, 2x HVI light outside 166 km/h
Max. gust wind speed for 9 bases, 17 kg each, 2x HVI light outside 203 km/h
Standard DIN IEC/TS 62561-8 (VDE V 0185-561-8)

Product 819380 was added to Notepad.

Product 819380 was added to the cart.


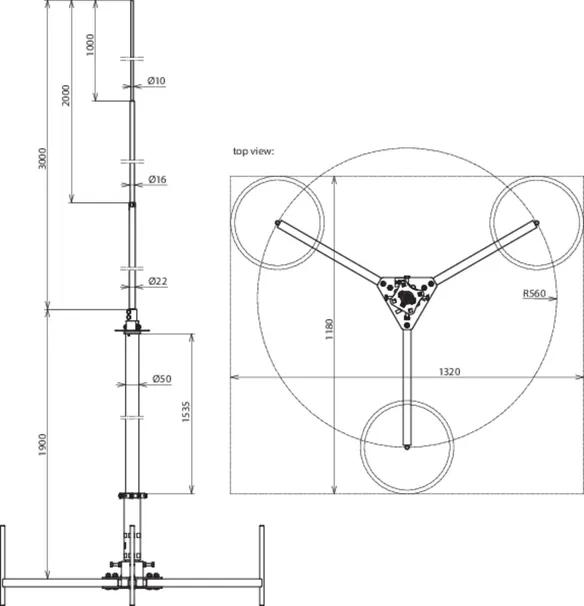
Air-termination mast 50 for HVI light Conductor SET II (total height 3900 mm)

1 Product

Part No. 819385 FM D50 16 10 3900 GFK AL DBS KB STTZN

GTIN 4013364241923, Customs tariff No. (EU): 85389099, Gross weight: 13.99 kg, PU: 1.00 pc(s)


Images

Additional information

Air-termination masts for HVI light Conductors on flat roofs
Complete with 4x connection plate for the
HVI light Conductor and fixing kit for installing
the conductor on the air-termination mast.
For keeping the separation distance to electrically
conductive parts according to DIN EN 62305-3 (VDE 0185-305-3)
Insulating clearance made of glass-fibre reinforced plastic (GRP)
Tube Ø50 mm
Material factor km = 0.7
Light grey colour, UV-stabilised
The air-termination masts are dimensioned to
Eurocode 1 (DIN EN 1991-1-4 + DIN EN 1991-1-4/NA) for a
max. gust wind speed of 179 km/h.
Adjustable to roof inclinations up to max. 10 degrees
Air-termination mast 50 for HVI light Conductor SET II
Total height 3900 mm
The stackable concrete base (part no. 102 010) and the
plastic base plate (part no. 102 050) have to be ordered separately.
Height: 3900 mm
Material of tripod: St/tZn
Radius of tripod: 560 mm
Material of supporting tube: GRP / Al
Length of supporting tube: 1900 mm
Insulating clearance: 1535 mm
Length of air-termination rod: 2000 mm
Material of air-termination rod: Al
Max. gust wind speed for 3 bases, 17 kg each, 2x HVI light outside: 110 km/h
Max. gust wind speed for 6 bases, 17 kg each, 2x HVI light outside: 147 km/h
Max. gust wind speed for 9 bases, 17 kg each, 2x HVI light outside: 179 km/h
Standard: DIN IEC/TS 62561-8 (VDE V 0185-561-8)

Brand: DEHN
Type: FM D50 16 10 3900 GFK AL DBS KB STTZN
Part No.: 819385
or equivalent.

Certificates

 

Technical data

Material of tripod St/tZn
Radius of tripod 560 mm
Material of supporting tube GRP / Al
Length of supporting tube 1900 mm
Insulating clearance 1535 mm
Length of air-termination rod 2000 mm
Material of air-termination rod Al
Max. gust wind speed for 3 bases, 17 kg each, 2x HVI light outside 110 km/h
Max. gust wind speed for 6 bases, 17 kg each, 2x HVI light outside 147 km/h
Max. gust wind speed for 9 bases, 17 kg each, 2x HVI light outside 179 km/h
Standard DIN IEC/TS 62561-8 (VDE V 0185-561-8)

Product 819385 was added to Notepad.

Product 819385 was added to the cart.


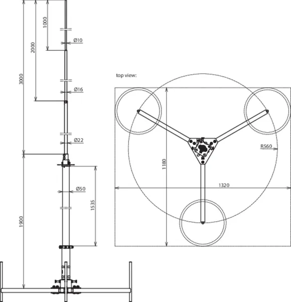
Air-termination mast 50 for HVI light Conductor SET III (total height 4900 mm)

1 Product

Part No. 819390 FM D50 22 16 10 4900 GFK AL DBS KB STTZN

GTIN 4013364241930, Customs tariff No. (EU): 85389099, Gross weight: 13.27 kg, PU: 1.00 pc(s)


Images

Additional information

Air-termination masts for HVI light Conductors on flat roofs
Complete with 4x connection plate for the
HVI light Conductor and fixing kit for installing
the conductor on the air-termination mast.
For keeping the separation distance to electrically
conductive parts according to DIN EN 62305-3 (VDE 0185-305-3)
Insulating clearance made of glass-fibre reinforced plastic (GRP)
Tube Ø50 mm
Material factor km = 0.7
Light grey colour, UV-stabilised
The air-termination masts are dimensioned to
Eurocode 1 (DIN EN 1991-1-4 + DIN EN 1991-1-4/NA) for a
max. gust wind speed of 147 km/h.
Adjustable to roof inclinations up to max. 10 degrees
Air-termination mast 50 for HVI light Conductor SET III
Total height 4900 mm
The stackable concrete base (part no. 102 010) and the
plastic base plate (part no. 102 050) have to be ordered separately.
Height: 4900 mm
Material of tripod: St/tZn
Radius of tripod: 560 mm
Material of supporting tube: GRP / Al
Length of supporting tube: 1900 mm
Insulating clearance: 1535 mm
Length of air-termination rod: 3000 mm
Material of air-termination rod: Al
Max. gust wind speed for 3 bases, 17 kg each, 2x HVI light outside: 97 km/h
Max. gust wind speed for 6 bases, 17 kg each, 2x HVI light outside: 124 km/h
Max. gust wind speed for 9 bases, 17 kg each, 2x HVI light outside: 147 km/h
Standard: DIN IEC/TS 62561-8 (VDE V 0185-561-8)

Brand: DEHN
Type: FM D50 22 16 10 4900 GFK AL DBS KB STTZN
Part No.: 819390
or equivalent.

Certificates

 

Technical data

Material of tripod St/tZn
Radius of tripod 560 mm
Material of supporting tube GRP / Al
Length of supporting tube 1900 mm
Insulating clearance 1535 mm
Length of air-termination rod 3000 mm
Material of air-termination rod Al
Max. gust wind speed for 3 bases, 17 kg each, 2x HVI light outside 97 km/h
Max. gust wind speed for 6 bases, 17 kg each, 2x HVI light outside 124 km/h
Max. gust wind speed for 9 bases, 17 kg each, 2x HVI light outside 147 km/h
Standard DIN IEC/TS 62561-8 (VDE V 0185-561-8)

Product 819390 was added to Notepad.

Product 819390 was added to the cart.


back to top