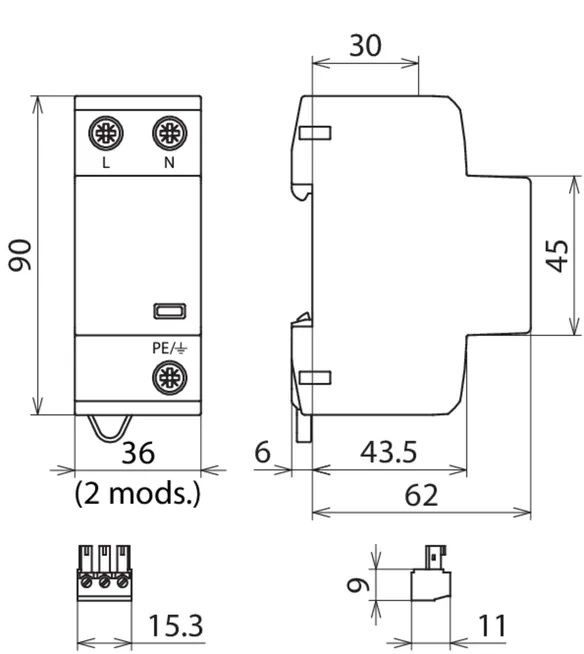
DEHNshield

  • Application-optimised and prewired spark-gap-based type 1 + type 2 combined lightning current and surge arrester
  • Compact design due to space-saving spark gap technology with a width of only one module / pole
  • Fulfils the minimum requirements on the lightning current discharge capacity according to IEC 60364-5-53
  • Allows compact lightning equipotential bonding including protection of terminal equipment
  • Discharge capacity up to 50 kA (10/350 µs)
  • Operating state / fault indication by green / red indicator flag in the inspection window
  • High follow current extinguishing capacity (Ifi = 25 kArms)

Details

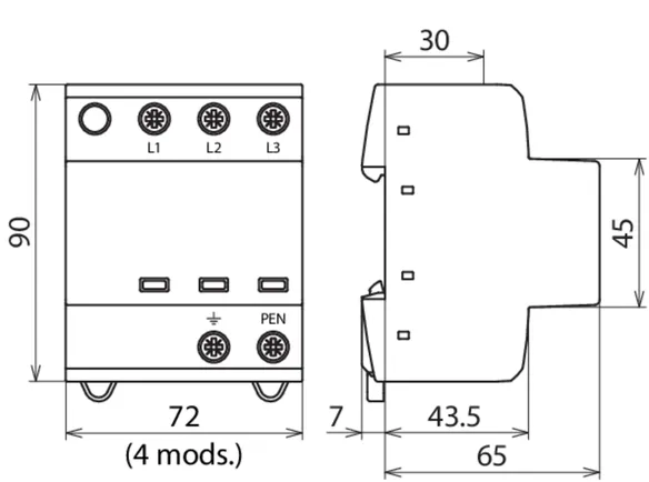
Through-wiring by means of a lightning-current-tested STAK 25 pin-shaped terminal
lorem ipsum

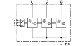
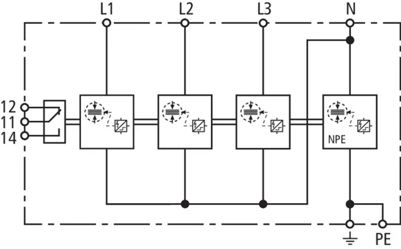
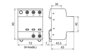
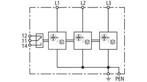
DEHNshield TNC

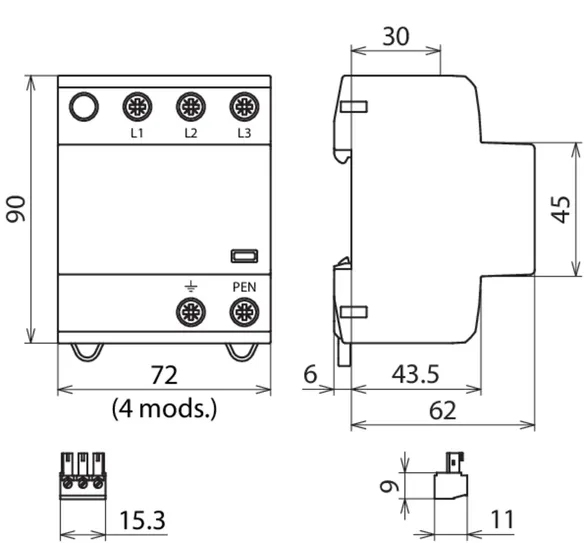
Application-optimised and prewired combined lightning current and surge arrester for TN-C systems with a nominal voltage of 230 / 400 V (3+0 configuration).

1 Product

Part No. 941300 DSH TNC 255

GTIN 4013364133556, Customs tariff No. (EU): 85363090, Gross weight: 415.80 g, PU: 1.00 pc(s)


Images

Additional information

DEHNshield TNC 255 FM combined arrester
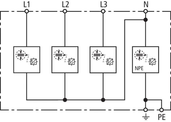
Three-pole combined arrester for 230/400 V TN-C systems
width: 4 mod.
Type 1 + type 2 SPD according to EN 61643-11
Application-optimised use in compact electrical installations
Spark gap technology with follow current limitation
Fault indication
Max. continuous operating voltage: 255 V a.c.
Voltage protection level: <= 1.5 kV
Lightning impulse current (10/350): 37.5 kA
Energy-coordinated according to IEC 62305-4 with
arresters of the Red/Line series and terminal equipment

Brand: DEHN
Type: DSH TNC 255
Part No.: 941300
or equivalent.

Certificates

 

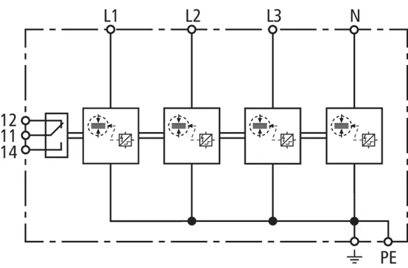
Wave breaker function

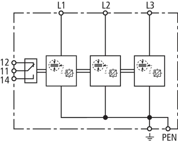
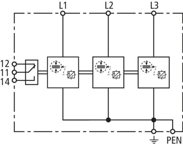
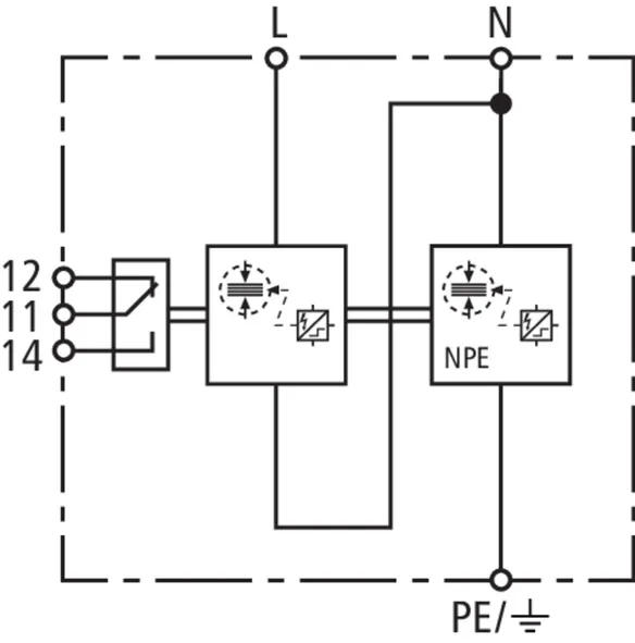
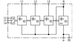
In the case of spark-gap-based type 1 arresters, the entire current flows through the type 1 arrester during the discharge process. Like a wave breaker, the incoming energy is greatly broken down, which significantly relieves the downstream SPDs. All type 1 arresters in the Red/Line product range feature the WBF wave breaker function.

Technical data

SPD according to EN 61643-11 / IEC 61643-11 type 1 + type 2 / class I + class II
Max. continuous operating voltage (a.c.) (UC ) 255 V (50 / 60 Hz)
Lightning impulse current (10/350 µs) [L1+L2+L3-PEN] (Itotal ) 37.5 kA
Lightning impulse current (10/350 µs) [L-PEN] (Iimp ) 12.5 kA
Voltage protection level (UP ) ≤ 1.5 kV
Max. mains-side overcurrent protection 160 A gG
Approvals KEMA, VDE, UL

Product 941300 was added to Notepad.

Product 941300 was added to the cart.


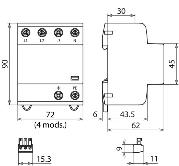
DEHNshield TNC FM

Application-optimised and prewired combined lightning current and surge arrester for TN-C systems with a nominal voltage of 230 / 400 V (3+0 configuration); with floating remote signalling contact.

1 Product

Part No. 941305 DSH TNC 255 FM

GTIN 4013364275317, Customs tariff No. (EU): 85363090, Gross weight: 420.60 g, PU: 1.00 pc(s)


Images

Additional information

DEHNshield TNC 255 FM combined arrester
Three-pole combined arrester for 230/400 V TN-C systems
with remote signalling contact, width: 4 mod.
Type 1 + type 2 SPD according to EN 61643-11
Application-optimised use in compact electrical installations
Spark gap technology with follow current limitation
Fault indication
Max. continuous operating voltage: 255 V a.c.
Voltage protection level: <= 1.5 kV
Lightning impulse current (10/350): 37.5 kA
Energy-coordinated according to IEC 62305-4 with
arresters of the Red/Line series and terminal equipment

Brand: DEHN
Type: DSH TNC 255 FM
Part No.: 941305
or equivalent.

Certificates

 

Wave breaker function

In the case of spark-gap-based type 1 arresters, the entire current flows through the type 1 arrester during the discharge process. Like a wave breaker, the incoming energy is greatly broken down, which significantly relieves the downstream SPDs. All type 1 arresters in the Red/Line product range feature the WBF wave breaker function.

Technical data

SPD according to EN 61643-11 / IEC 61643-11 type 1 + type 2 / class I + class II
Max. continuous operating voltage (a.c.) (UC ) 255 V (50 / 60 Hz)
Lightning impulse current (10/350 µs) [L1+L2+L3-PEN] (Itotal ) 37.5 kA
Lightning impulse current (10/350 µs) [L-PEN] (Iimp ) 12.5 kA
Voltage protection level (UP ) ≤ 1.5 kV
Max. mains-side overcurrent protection 160 A gG
Approvals KEMA, VDE
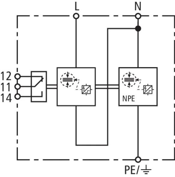
Type of remote signalling contact changeover contact

Product 941305 was added to Notepad.

Product 941305 was added to the cart.


DEHNshield TNC Basic FM

Application-optimised and prewired combined lightning current and surge arrester for TN-C systems for use in the main power supply system (3+0 configuration) in case of residential buildings without external lightning protection system (also in case of buildings supplied by overhead lines); with floating remote signalling contact.

1 Product

Part No. 941306 DSH B TNC 255 FM

GTIN 4013364328068, Customs tariff No. (EU): 85363090, Gross weight: 422.00 g, PU: 1.00 pc(s)


Images

Additional information

DEHNshield B TNC 255 FM combined arrester
Three-pole combined arrester for 230/400 V TN-C systems
with remote signalling contact, width: 4 mod.
Type 1 + type 2 SPD according to EN 61643-11
Meets all requirements of IEC 60364-5-53 and IEC 60364-4-44
Spark gap technology with follow current limitation
Fault indication
Max. continuous operating voltage: 255 V a.c.
Voltage protection level: <= 1.5 kV
Lightning impulse current (10/350): 37.5 kA
Energy-coordinated according to IEC 62305-4 with
arresters of the Red/Line series and terminal equipment

Brand: DEHN
Type: DSH B TNC 255 FM
Part No.: 941306
or equivalent.

Certificates

 

Wave breaker function

In the case of spark-gap-based type 1 arresters, the entire current flows through the type 1 arrester during the discharge process. Like a wave breaker, the incoming energy is greatly broken down, which significantly relieves the downstream SPDs. All type 1 arresters in the Red/Line product range feature the WBF wave breaker function.

Technical data

SPD according to EN 61643-11 / IEC 61643-11 type 1 + type 2 / class I + class II
Max. continuous operating voltage (a.c.) (UC ) 255 V (50 / 60 Hz)
Lightning impulse current (10/350 µs) [L1+L2+L3-PEN] (Itotal ) 22.5 kA
Lightning impulse current (10/350 µs) [L-PEN] (Iimp ) 7.5 kA
Voltage protection level (UP ) ≤ 1.5 kV
Max. mains-side overcurrent protection 160 A gG
Approvals VDE
Type of remote signalling contact changeover contact

Product 941306 was added to Notepad.

Product 941306 was added to the cart.


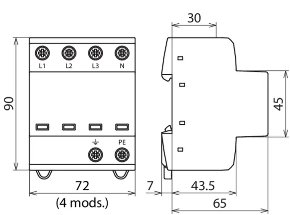
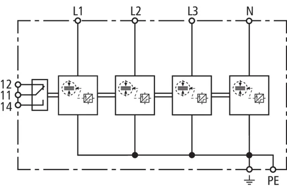
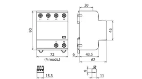
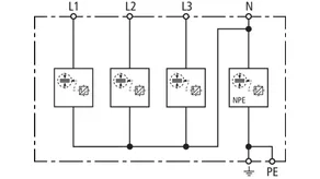
DEHNshield TNS

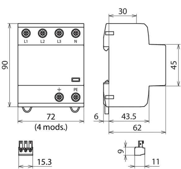
Application-optimised and prewired combined lightning current and surge arrester for TN-S systems with a nominal voltage of 230 / 400 V (4+0 configuration).

1 Product

Part No. 941400 DSH TNS 255

GTIN 4013364133563, Customs tariff No. (EU): 85363090, Gross weight: 555.00 g, PU: 1.00 pc(s)


Images

Additional information

DEHNshield TNS 255 FM combined arrester
Four-pole combined arrester for 230/400 V TN(C)-S systems, width: 4 mod.
Type 1 + type 2 SPD according to EN 61643-11
Application-optimised use in compact electrical installations
Spark gap technology with follow current limitation
Fault indication
Max. continuous operating voltage: 255 V a.c.
Voltage protection level: <= 1.5 kV
Lightning impulse current (10/350): 50 kA
Energy-coordinated according to IEC 62305-4 with
arresters of the Red/Line series and terminal equipment

Brand: DEHN
Type: DSH TNS 255
Part No.: 941400
or equivalent.

Certificates

 

Wave breaker function

In the case of spark-gap-based type 1 arresters, the entire current flows through the type 1 arrester during the discharge process. Like a wave breaker, the incoming energy is greatly broken down, which significantly relieves the downstream SPDs. All type 1 arresters in the Red/Line product range feature the WBF wave breaker function.

Technical data

SPD according to EN 61643-11 / IEC 61643-11 type 1 + type 2 / class I + class II
Max. continuous operating voltage (a.c.) (UC ) 255 V (50 / 60 Hz)
Lightning impulse current (10/350 µs) [L1+L2+L3+N-PE] (Itotal ) 50 kA
Lightning impulse current (10/350 µs) [L, N-PE] (Iimp ) 12.5 kA
Voltage protection level [L-PE]/[N-PE] (UP ) ≤ 1.5 / ≤ 1.5 kV
Max. mains-side overcurrent protection 160 A gG
Approvals KEMA, VDE, UL

Product 941400 was added to Notepad.

Product 941400 was added to the cart.


DEHNshield TNS FM

Application-optimised and prewired combined lightning current and surge arrester for TN-S systems with a nominal voltage of 230 / 400 V (4+0 configuration); with floating remote signalling contact.

1 Product

Part No. 941405 DSH TNS 255 FM

GTIN 4013364275331, Customs tariff No. (EU): 85363090, Gross weight: 488.30 g, PU: 1.00 pc(s)


Images

Additional information

DEHNshield TNS 255 FM combined arrester
Four-pole combined arrester for 230/400 V TN(C)-S systems
Width: 4 mod., with remote signalling contact
Type 1 + type 2 SPD according to EN 61643-11
Application-optimised use in compact electrical installations
Spark gap technology with follow current limitation
Fault indication
Max. continuous operating voltage: 255 V a.c.
Voltage protection level: <= 1.5 kV
Lightning impulse current (10/350): 50 kA
Energy-coordinated according to IEC 62305-4 with
arresters of the Red/Line series and terminal equipment

Brand: DEHN
Type: DSH TNS 255 FM
Part No.: 941405
or equivalent.

Certificates

 

Wave breaker function

In the case of spark-gap-based type 1 arresters, the entire current flows through the type 1 arrester during the discharge process. Like a wave breaker, the incoming energy is greatly broken down, which significantly relieves the downstream SPDs. All type 1 arresters in the Red/Line product range feature the WBF wave breaker function.

Technical data

SPD according to EN 61643-11 / IEC 61643-11 type 1 + type 2 / class I + class II
Max. continuous operating voltage (a.c.) (UC ) 255 V (50 / 60 Hz)
Lightning impulse current (10/350 µs) [L1+L2+L3+N-PE] (Itotal ) 50 kA
Lightning impulse current (10/350 µs) [L, N-PE] (Iimp ) 12.5 kA
Voltage protection level [L-PE]/[N-PE] (UP ) ≤ 1.5 / ≤ 1.5 kV
Max. mains-side overcurrent protection 160 A gG
Approvals KEMA, VDE
Type of remote signalling contact changeover contact

Product 941405 was added to Notepad.

Product 941405 was added to the cart.


DEHNshield TNS Basic FM

Application-optimised and prewired combined lightning current and surge arrester for TN-S systems for use in the main power supply system (4+0 configuration) in case of residential buildings without external lightning protection system (also in case of buildings supplied by overhead lines); with floating remote signalling contact.

1 Product

Part No. 941406 DSH B TNS 255 FM

GTIN 4013364328082, Customs tariff No. (EU): 85363090, Gross weight: 489.00 g, PU: 1.00 pc(s)


Images

Additional information

DEHNshield B TNS 255 FM combined arrester
Four-pole combined arrester for 230/400 V TN(C)-S systems
Width: 4 mod., with remote signalling contact
Type 1 + type 2 SPD according to EN 61643-11
Meets all requirements of IEC 60364-5-53 and IEC 60364-4-44
Spark gap technology with follow current limitation
Fault indication
Max. continuous operating voltage: 255 V a.c.
Voltage protection level: <= 1.5 kV
Lightning impulse current (10/350): 30 kA
Energy-coordinated according to IEC 62305-4 with
arresters of the Red/Line series and terminal equipment

Brand: DEHN
Type: DSH B TNS 255 FM
Part No.: 941406
or equivalent.

Certificates

 

Wave breaker function

In the case of spark-gap-based type 1 arresters, the entire current flows through the type 1 arrester during the discharge process. Like a wave breaker, the incoming energy is greatly broken down, which significantly relieves the downstream SPDs. All type 1 arresters in the Red/Line product range feature the WBF wave breaker function.

Technical data

SPD according to EN 61643-11 / IEC 61643-11 type 1 + type 2 / class I + class II
Max. continuous operating voltage (a.c.) (UC ) 255 V (50 / 60 Hz)
Lightning impulse current (10/350 µs) [L1+L2+L3+N-PE] (Itotal ) 30 kA
Lightning impulse current (10/350 µs) [L, N-PE] (Iimp ) 7.5 kA
Voltage protection level [L-PE]/[N-PE] (UP ) ≤ 1.5 / ≤ 1.5 kV
Max. mains-side overcurrent protection 160 A gG
Approvals VDE
Type of remote signalling contact changeover contact

Product 941406 was added to Notepad.

Product 941406 was added to the cart.


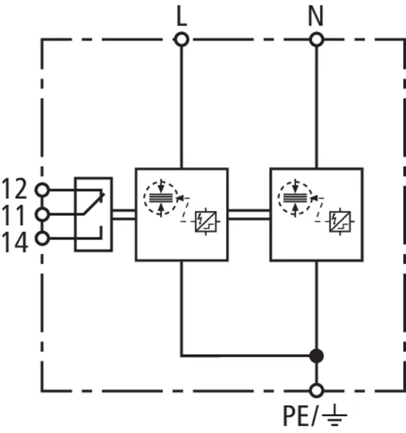
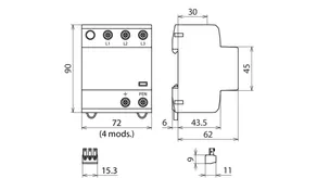
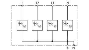
DEHNshield TT

Application-optimised and prewired combined lightning current and surge arrester for TT and TN-S systems with a nominal voltage of 230 / 400 V (3+1 configuration).

1 Product

Part No. 941310 DSH TT 255

GTIN 4013364131798, Customs tariff No. (EU): 85363090, Gross weight: 509.90 g, PU: 1.00 pc(s)


Images

Additional information

DEHNshield TT 255 combined arrester
Four-pole combined arrester for 230/400 V TT und TN (C)-S systems
Width: 4 mod.
Type 1 + type 2 SPD according to EN 61643-11
Application-optimised use in compact electrical installations
Spark gap technology with follow current limitation
Fault indication
Max. continuous operating voltage: 255 V a.c.
Voltage protection level: <= 1.5 kV
Lightning impulse current (10/350): 50 kA
Energy-coordinated according to IEC 62305-4 with
arresters of the Red/Line series and terminal equipment

Brand: DEHN
Type: DSH TT 255
Part No.: 941310
or equivalent.

Certificates

 

Wave breaker function

In the case of spark-gap-based type 1 arresters, the entire current flows through the type 1 arrester during the discharge process. Like a wave breaker, the incoming energy is greatly broken down, which significantly relieves the downstream SPDs. All type 1 arresters in the Red/Line product range feature the WBF wave breaker function.

Technical data

SPD according to EN 61643-11 / IEC 61643-11 type 1 + type 2 / class I + class II
Max. continuous operating voltage (a.c.) (UC ) 255 V (50 / 60 Hz)
Lightning impulse current (10/350 µs) [L1+L2+L3+N-PE] (Itotal ) 50 kA
Lightning impulse current (10/350 µs) [L-N]/[N-PE] (Iimp ) 12.5 / 50 kA
Voltage protection level [L-N]/[N-PE] (UP ) ≤ 1.5 / ≤ 1.5 kV
Max. mains-side overcurrent protection 160 A gG
Approvals KEMA, VDE, UL
Extended technical data: ---------------------------------
Voltage protection level [L-PE] (UP ) 2.0 kV

Product 941310 was added to Notepad.

Product 941310 was added to the cart.


DEHNshield TT FM

Application-optimised and prewired combined lightning current and surge arrester for TT and TN-S systems with a nominal voltage of 230 / 400 V (3+1 configuration); with floating signalling contact.

1 Product

Part No. 941315 DSH TT 255 FM

GTIN 4013364275324, Customs tariff No. (EU): 85363090, Gross weight: 508.80 g, PU: 1.00 pc(s)


Images

Additional information

DEHNshield TT 255 FM combined arrester
Four-pole combined arrester for 230/400 V TT und TN (C)-S systems
Width: 4 mod., With remote signalling contact
Type 1 + type 2 SPD according to EN 61643-11
Application-optimised use in compact electrical installations
Spark gap technology with follow current limitation
Fault indication
Max. continuous operating voltage: 255 V a.c.
Voltage protection level: <= 1.5 kV
Lightning impulse current (10/350): 50 kA
Energy-coordinated according to IEC 62305-4 with
arresters of the Red/Line series and terminal equipment

Brand: DEHN
Type: DSH TT 255 FM
Part No.: 941315
or equivalent.

Certificates

 

Wave breaker function

In the case of spark-gap-based type 1 arresters, the entire current flows through the type 1 arrester during the discharge process. Like a wave breaker, the incoming energy is greatly broken down, which significantly relieves the downstream SPDs. All type 1 arresters in the Red/Line product range feature the WBF wave breaker function.

Technical data

SPD according to EN 61643-11 / IEC 61643-11 type 1 + type 2 / class I + class II
Max. continuous operating voltage (a.c.) (UC ) 255 V (50 / 60 Hz)
Lightning impulse current (10/350 µs) [L1+L2+L3+N-PE] (Itotal ) 50 kA
Lightning impulse current (10/350 µs) [L-N]/[N-PE] (Iimp ) 12.5 / 50 kA
Voltage protection level [L-N]/[N-PE] (UP ) ≤ 1.5 / ≤ 1.5 kV
Max. mains-side overcurrent protection 160 A gG
Approvals KEMA, VDE
Type of remote signalling contact changeover contact
Extended technical data: ---------------------------------
Voltage protection level [L-PE] (UP ) 2.0 kV

Product 941315 was added to Notepad.

Product 941315 was added to the cart.


DEHNshield TT Basic FM

Application-optimised and prewired combined lightning current and surge arrester for TT and TN-S systems for use in the main power supply system (3+1 configuration) for residential buildings without external lightning protection (also for buildings supplied by overhead lines); with floating remote signalling contact.

1 Product

Part No. 941316 DSH B TT 255 FM

GTIN 4013364328075, Customs tariff No. (EU): 85363090, Gross weight: 510.00 g, PU: 1.00 pc(s)


Images

Additional information

DEHNshield B TT 255 FM combined arrester
Four-pole combined arrester for 230/400 V TT and TN(C)-S systems
Width: 4 mod., With remote signalling contact,
Type 1 + type 2 SPD according to EN 61643-11
Meets all requirements of IEC 60364-5-53 and IEC 60364-4-44
Spark gap technology with follow current limitation
Fault indication
Max. continuous operating voltage: 255 V a.c.
Voltage protection level: <= 1.5 kV
Lightning impulse current (10/350): 30 kA
Energy-coordinated according to IEC 62305-4 with
arresters of the Red/Line series and terminal equipment

Brand: DEHN
Type: DSH B TT 255 FM
Part No.: 941316
or equivalent.

Certificates

 

Wave breaker function

In the case of spark-gap-based type 1 arresters, the entire current flows through the type 1 arrester during the discharge process. Like a wave breaker, the incoming energy is greatly broken down, which significantly relieves the downstream SPDs. All type 1 arresters in the Red/Line product range feature the WBF wave breaker function.

Technical data

SPD according to EN 61643-11 / IEC 61643-11 type 1 + type 2 / class I + class II
Max. continuous operating voltage (a.c.) (UC ) 255 V (50 / 60 Hz)
Lightning impulse current (10/350 µs) [L1+L2+L3+N-PE] (Itotal ) 30 kA
Lightning impulse current (10/350 µs) [L-N]/[N-PE] (Iimp ) 7.5 / 30 kA
Voltage protection level [L-N]/[N-PE] (UP ) ≤ 1.5 / ≤ 1.5 kV
Max. mains-side overcurrent protection 160 A gG
Approvals VDE
Type of remote signalling contact changeover contact
Extended technical data: ---------------------------------
Voltage protection level [L-PE] (UP ) 2.0 kV

Product 941316 was added to Notepad.

Product 941316 was added to the cart.


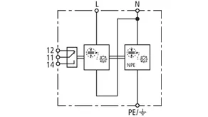
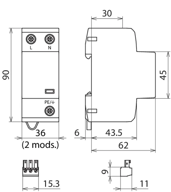
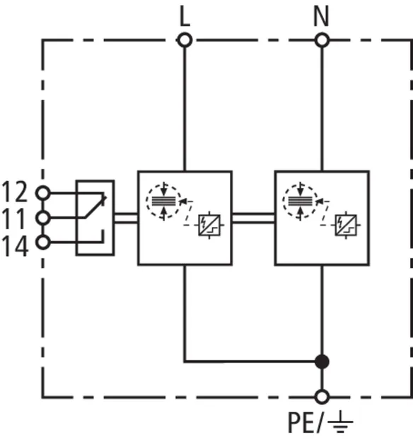
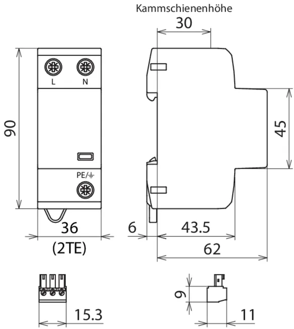
DEHNshield TN

Application-optimised and prewired combined lightning current and surge arrester for single-phase TN systems with a nominal voltage of 230 V (2+0 configuration).

1 Product

Part No. 941200 DSH TN 255

GTIN 4013364138209, Customs tariff No. (EU): 85363090, Gross weight: 266.00 g, PU: 1.00 pc(s)


Images

Additional information

DEHNshield TN 255 combined arrester
Two-pole combined arrester for 230/400 V TN systems, width: 2 mod.
Type 1 + type 2 SPD according to EN 61643-11
Application-optimised use in compact electrical installations
Spark gap technology with follow current limitation
Fault indication
Max. continuous operating voltage: 255 V a.c.
Voltage protection level: <= 1.5 kV
Lightning impulse current (10/350): 25 kA
Energy-coordinated according to IEC 62305-4 with
arresters of the Red/Line series and terminal equipment

Brand: DEHN
Type: DSH TN 255
Part No.: 941200
or equivalent.

Certificates

 

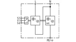
Wave breaker function

In the case of spark-gap-based type 1 arresters, the entire current flows through the type 1 arrester during the discharge process. Like a wave breaker, the incoming energy is greatly broken down, which significantly relieves the downstream SPDs. All type 1 arresters in the Red/Line product range feature the WBF wave breaker function.

Technical data

SPD according to EN 61643-11 / IEC 61643-11 type 1 + type 2 / class I + class II
Max. continuous operating voltage (a.c.) (UC ) 255 V (50 / 60 Hz)
Lightning impulse current (10/350 µs) [L+N-PE] (Itotal ) 25 kA
Lightning impulse current (10/350 µs) [L, N-PE] (Iimp ) 12.5 kA
Voltage protection level [L-PE]/[N-PE] (UP ) ≤ 1.5 /≤ 1.5 kV
Max. mains-side overcurrent protection 160 A gG
Approvals KEMA, VDE, UL

Product 941200 was added to Notepad.

Product 941200 was added to the cart.


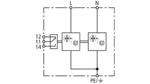
DEHNshield TN FM

Application-optimised and prewired combined lightning current and surge arrester for single-phase TN systems with a nominal voltage of 230 V (2+0 configuration); with floating remote signalling contact.

1 Product

Part No. 941205 DSH TN 255 FM

GTIN 4013364289185, Customs tariff No. (EU): 85363090, Gross weight: 276.00 g, PU: 1.00 pc(s)


Images

Additional information

DEHNshield TN 255 FM combined arrester
Two-pole combined arrester for 230/400 V TN systems,
Width: 2 mod., With remote signalling contact
Type 1 + type 2 SPD according to EN 61643-11
Application-optimised use in compact electrical installations
Spark gap technology with follow current limitation
Fault indication
Max. continuous operating voltage: 255 V a.c.
Voltage protection level: <= 1.5 kV
Lightning impulse current (10/350): 25 kA
Energy-coordinated according to IEC 62305-4 with
arresters of the Red/Line series and terminal equipment

Brand: DEHN
Type: DSH TN 255 FM
Part No.: 941205
or equivalent.

Certificates

 

Wave breaker function

In the case of spark-gap-based type 1 arresters, the entire current flows through the type 1 arrester during the discharge process. Like a wave breaker, the incoming energy is greatly broken down, which significantly relieves the downstream SPDs. All type 1 arresters in the Red/Line product range feature the WBF wave breaker function.

Technical data

SPD according to EN 61643-11 / IEC 61643-11 type 1 + type 2 / class I + class II
Max. continuous operating voltage (a.c.) (UC ) 255 V (50 / 60 Hz)
Lightning impulse current (10/350 µs) [L+N-PE] (Itotal ) 25 kA
Lightning impulse current (10/350 µs) [L, N-PE] (Iimp ) 12.5 kA
Voltage protection level [L-PE]/[N-PE] (UP ) ≤ 1.5 /≤ 1.5 kV
Max. mains-side overcurrent protection 160 A gG
Approvals KEMA, VDE
Type of remote signalling contact changeover contact

Product 941205 was added to Notepad.

Product 941205 was added to the cart.


DEHNshield TN Basic FM

Application-optimised and prewired combined lightning current and surge arrester for single-phase TN systems for use in the main power supply system (2+0 configuration) in case of residential buildings without external lightning protection system (also in case of buildings supplied by overhead lines); with floating remote signalling contact.

1 Product

Part No. 941206 DSH B TN 255 FM

GTIN 4013364373839, Customs tariff No. (EU): 85363090, Gross weight: 276.00 g, PU: 1.00 pc(s)


Images

Additional information

DEHNshield B TN 255 FM combined arrester
Two-pole combined arrester for 230/400 V TN systems,
Width: 2 mod., With remote signalling contact
Type 1 + type 2 SPD according to EN 61643-11
Meets all requirements of IEC 60364-5-53 and IEC 60364-4-44
Spark gap technology with follow current limitation
Fault indication
Max. continuous operating voltage: 255 V a.c.
Voltage protection level: <= 1.5 kV
Lightning impulse current (10/350): 15 kA
Energy-coordinated according to IEC 62305-4 with
arresters of the Red/Line series and terminal equipment

Brand: DEHN
Type: DSH B TN 255 FM
Part No.: 941206
or equivalent.

Certificates

 

Wave breaker function

In the case of spark-gap-based type 1 arresters, the entire current flows through the type 1 arrester during the discharge process. Like a wave breaker, the incoming energy is greatly broken down, which significantly relieves the downstream SPDs. All type 1 arresters in the Red/Line product range feature the WBF wave breaker function.

Technical data

SPD according to EN 61643-11 / IEC 61643-11 type 1 + type 2 / class I + class II
Max. continuous operating voltage (a.c.) (UC ) 255 V (50 / 60 Hz)
Lightning impulse current (10/350 µs) [L+N-PE] (Itotal ) 15 kA
Lightning impulse current (10/350 µs) [L, N-PE] (Iimp ) 7.5 kA
Voltage protection level [L-PE]/[N-PE] (UP ) ≤ 1.5 /≤ 1.5 kV
Max. mains-side overcurrent protection 160 A gG
Type of remote signalling contact changeover contact

Product 941206 was added to Notepad.

Product 941206 was added to the cart.


DEHNshield TT 2P

Application-optimised and prewired combined lightning current and surge arrester for single-phase TT and TN systems with a nominal voltage of 230 V (1+1 configuration).

1 Product

Part No. 941110 DSH TT 2P 255

GTIN 4013364137899, Customs tariff No. (EU): 85363090, Gross weight: 291.00 g, PU: 1.00 pc(s)


Images

Additional information

DEHNshield TT 2P 255 combined arrester
Two-pole combined arrester
for 230/400 V TT systems, Width: 2 mod.
SPD type 1 + type 2 in accordance with EN 61643-11
For use in compact and simply equipped electrical
installations with reduced technical requirements
Spark gap technology with follow current limitation
Fault indication
Max. continuous operating voltage: 255 V a.c.
Voltage protection level: <= 1.5 kV
Lightning impulse current (10/350): 25 kA
Energy-coordinated according to IEC 62305-4 with
arresters of the Red/Line series and terminal equipment

Brand: DEHN
Type: DSH TT 2P 255
Part No.: 941110
or equivalent.

Certificates

 

Wave breaker function

In the case of spark-gap-based type 1 arresters, the entire current flows through the type 1 arrester during the discharge process. Like a wave breaker, the incoming energy is greatly broken down, which significantly relieves the downstream SPDs. All type 1 arresters in the Red/Line product range feature the WBF wave breaker function.

Technical data

SPD according to EN 61643-11 / IEC 61643-11 type 1 + type 2 / class I + class II
Max. continuous operating voltage (a.c.) (UC ) 255 V (50 / 60 Hz)
Lightning impulse current (10/350 µs) [L+N-PE] (Itotal ) 25 kA
Lightning impulse current (10/350 µs) [L-N]/[N-PE] (Iimp ) 12.5 / 25 kA
Voltage protection level [L-N]/[N-PE] (UP ) ≤ 1.5 / ≤ 1.5 kV
Max. mains-side overcurrent protection 160 A gG
Approvals KEMA, VDE, UL
Extended technical data: ---------------------------------
Voltage protection level [L-PE] (UP ) 2.0 kV

Product 941110 was added to Notepad.

Product 941110 was added to the cart.


DEHNshield TT 2P FM

Application-optimised and prewired combined lightning current and surge arrester for single-phase TT and TN systems with a nominal voltage of 230 V (1+1 configuration); with floating remote signalling contact.

1 Product

Part No. 941115 DSH TT 2P 255 FM

GTIN 4013364289208, Customs tariff No. (EU): 85363090, Gross weight: 301.00 g, PU: 1.00 pc(s)


Images

Additional information

DEHNshield TT 2P 255 FM combined arrester
Two-pole combined arrester
for 230/400 V TT systems,
SPD type 1 + type 2 in accordance with EN 61643-11
Width: 2 mod., With remote signalling contact
For use in compact and simply equipped electrical
installations with reduced technical requirements
Spark gap technology with follow current limitation
Fault indication
Max. continuous operating voltage: 255 V a.c.
Voltage protection level: <= 1.5 kV
Lightning impulse current (10/350): 25 kA
Energy-coordinated according to IEC 62305-4 with
arresters of the Red/Line series and terminal equipment

Brand: DEHN
Type: DSH TT 2P 255 FM
Part No.: 941115
or equivalent.

Certificates

 

Wave breaker function

In the case of spark-gap-based type 1 arresters, the entire current flows through the type 1 arrester during the discharge process. Like a wave breaker, the incoming energy is greatly broken down, which significantly relieves the downstream SPDs. All type 1 arresters in the Red/Line product range feature the WBF wave breaker function.

Technical data

SPD according to EN 61643-11 / IEC 61643-11 type 1 + type 2 / class I + class II
Max. continuous operating voltage (a.c.) (UC ) 255 V (50 / 60 Hz)
Lightning impulse current (10/350 µs) [L+N-PE] (Itotal ) 25 kA
Lightning impulse current (10/350 µs) [L-N]/[N-PE] (Iimp ) 12.5 / 25 kA
Voltage protection level [L-N]/[N-PE] (UP ) ≤ 1.5 / ≤ 1.5 kV
Max. mains-side overcurrent protection 160 A gG
Approvals KEMA, VDE
Type of remote signalling contact changeover contact
Extended technical data: ---------------------------------
Voltage protection level [L-PE] (UP ) 2.0 kV

Product 941115 was added to Notepad.

Product 941115 was added to the cart.


DEHNshield TT 2P Basic FM

Application-optimised and prewired combined lightning current and surge arrester for single-phase TT and TN systems for use in the main power supply system (1+1 configuration) in case of residential buildings without external lightning protection system (also in case of buildings supplied by overhead lines); with floating remote signalling contact.

1 Product

Part No. 941116 DSH B TT 2P 255 FM

GTIN 4013364373235, Customs tariff No. (EU): 85363090, Gross weight: 301.00 g, PU: 1.00 pc(s)


Images

Additional information

DEHNshield B TT 2P 255 FM combined arrester
Two-pole combined arrester for 230/400 V TT systems,
Width: 2 mod., With remote signalling contact
SPD type 1 + type 2 in accordance with EN 61643-11
Meets all requirements of IEC 60364-5-53 and IEC 60364-4-44
Spark gap technology with follow current limitation
Fault indication
Max. continuous operating voltage: 255 V a.c.
Voltage protection level: <= 1.5 kV
Lightning impulse current (10/350): 15 kA
Energy-coordinated according to IEC 62305-4 with
arresters of the Red/Line series and terminal equipment

Brand: DEHN
Type: DSH B TT 2P 255 FM
Part No.: 941116
or equivalent.

Certificates

 

Wave breaker function

In the case of spark-gap-based type 1 arresters, the entire current flows through the type 1 arrester during the discharge process. Like a wave breaker, the incoming energy is greatly broken down, which significantly relieves the downstream SPDs. All type 1 arresters in the Red/Line product range feature the WBF wave breaker function.

Technical data

SPD according to EN 61643-11 / IEC 61643-11 type 1 + type 2 / class I + class II
Max. continuous operating voltage (a.c.) (UC ) 255 V (50 / 60 Hz)
Lightning impulse current (10/350 µs) [L+N-PE] (Itotal ) 15 kA
Lightning impulse current (10/350 µs) [L-N]/[N-PE] (Iimp ) 7.5 / 15 kA
Voltage protection level [L-N]/[N-PE] (UP ) ≤ 1.5 / ≤ 1.5 kV
Max. mains-side overcurrent protection 160 A gG
Type of remote signalling contact changeover contact
Extended technical data: ---------------------------------
Voltage protection level [L-PE] (UP ) 2.0 kV

Product 941116 was added to Notepad.

Product 941116 was added to the cart.


back to top